Softrock Lite II Softrock Lite II: Divider
Band: 20m
Introduction
General Info About the Stage
This stage will actually involve installing the remainder of the bottom-side SMT capacitors. In addition to the remaining SMT capacitors, you will also install two of the three bottom-side ICs:
- the Divider IC (U2), and
- the Mixer IC (U3)
Normally, the Mixer chip (U3) would be addressed in a separate "Mixer" Stage. However, due to the close proximity of the pads for the two Ics, U2 and U3, you will install it in this "Dividers" Stage.
The tests for U3 will be postponed until the "Mixer" Stage.
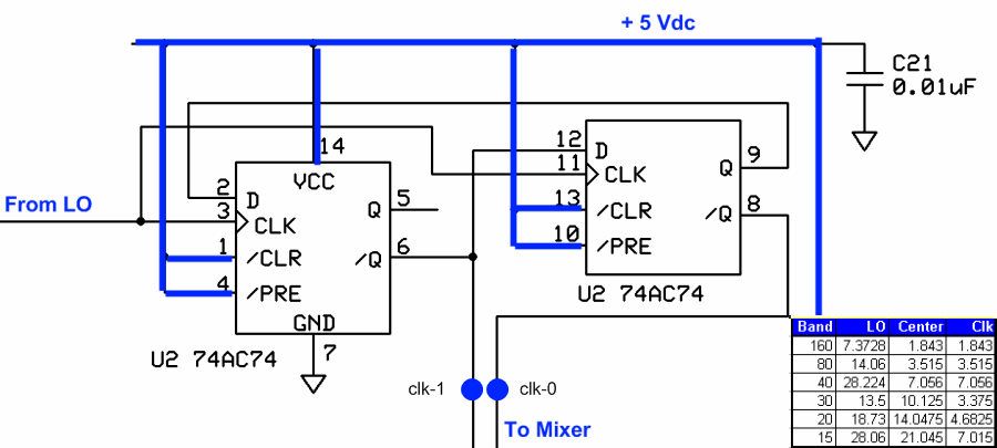
.Theory of Operation
The dividers accept as input the output of the local oscillator and divide that down to two signals that are ¼ the input frequency and in quadrature (90 ° out of phase with each other).
U2 is wired as a divide-by-4 synchroneous divider, clocked by the output from the Local Oscillator. Synchroneous clocking means that all stages switch at the same time, potentially offering a reduction of noise generated during switching.
The divider provides two LO outputs which clock Mixer, U3. Proper Operation of the Dividers may be monitored on a CW or SSB receiver tuned to Divider Output Frequency.
Note 1: A beat note should be heard when the antenna lead connected to a CW or SSB Receiver - tuned to Divider Output Frequency, is held near U2 on the SR Lite II PCB.
Note 2: All frequencies may be slightly below those stated in the table because of the loading capacitance is a little higher than specified for the nominal frequency of the Crystals supplied.
Because the 20m band uses subharmonic-sampling, the divider output (i.e., the center frequency") will be 4 thirds of the fundamental frequency of 18.73 MHz , or 14.0475 MHz.
Go to Top of Page
Stage Schematic
Go to Top of Page
Board Layouts
Board Top
Go to Top of Page
Board Bottom
Go to Top of Page
Divider Bill of Materials
( 20m band option)
(details for installation of each component are provided in the step instructions, further down the page)
| Check | Type | Category | Component | Count | Marking | Image |
|---|---|---|---|---|---|---|
| ☐ | boardhdw | HDW | 2 X #4-40 hdw (nut, bolt, washer, spacer) | 1 |
|
|
| ☐ | Capacitor | SMT 1206 | 0.01 uF | 3 | (smt) no stripe |
|
| ☐ | Capacitor | SMT 1206 | 0.1 uF | 4 | (smt) black stripe |
|
| ☐ | IC | SOIC-16 | FST3253 mux/demux switch | 1 | FST3253 ESD!!! |
|
| ☐ | IC | SOIC-14 | 74AC74 Dual D FF | 1 | 74AC74 ESD!!! |
|
Go to Top of Page
Detailed Build Steps
Install remainder of the SMT Capacitors
We will use this stage to go ahead and install all of the remaining SMT bypass capacitors.
See hints on installing SMT Caps.
The pads for the 0.1 uF capacitors are highlighted in white on the board shown above. These capacitors are in carrier strips marked with a black stripe.
The yellow markings pertain to the 0.01 uF capacitors.
Be very careful when soldering the SMT capacitors, so as to avoid solder "splashover" that could clog the thru-holes for components installed later on in the project. The holes that are "at risk" are marked with a red dot on the above graphic. You might want to plug them up temporarily with a fine-pointed toothpick when soldering in their vicinity. The at-risk holes are associated with the following capacitors:
- C14 (the T1 secondary hole to the right of the cap)
- C18 (R9's barrel hole at the bottom right of the cap)
- C19 (R10's barrel hole at the bottom right of the cap)
- C21 (R11's hairpin hole above the cap)
| Check | Designation | Component (top/bottom) | Orientation | Marking | Image | Band | Notes |
|---|---|---|---|---|---|---|---|
| ☐ | C14 | 0.01 uF ((bottom)) | yellow pads | (smt) no stripe |
|
any | |
| ☐ | C21 | 0.01 uF ((bottom)) | yellow pads | (smt) no stripe |
|
any | |
| ☐ | C15 | 0.01 uF ((bottom)) | yellow pads | (smt) no stripe |
|
any | |
| ☐ | C16 | 0.1 uF ((bottom)) | white pads | (smt) black stripe |
|
any | |
| ☐ | C17 | 0.1 uF ((bottom)) | white pads | (smt) black stripe |
|
any | |
| ☐ | C18 | 0.1 uF ((bottom)) | white pads | (smt) black stripe |
|
any | |
| ☐ | C19 | 0.1 uF ((bottom)) | white pads | (smt) black stripe |
|
any |
Install U2
Install 74AC74 (U2) on the SOIC-14 pads on the bottom side of the board. Take ESD precautions
See hints on installing SMT ICs.| Check | Designation | Component (top/bottom) | Orientation | Marking | Image | Band | Notes |
|---|---|---|---|---|---|---|---|
| ☐ | U2 | 74AC74 Dual D FF ((bottom)) | 74AC74 ESD!!! |
|
any |
Install U3
You should install the 16 pin Mixer chip (U3) BEFORE installing the 14 pin divider chip (U2), due to layout considerations which could complicate the soldering of the Ics. The mixer will be tested in a later stage.
See hints on installing SMT ICs.
| Check | Designation | Component (top/bottom) | Orientation | Marking | Image | Band | Notes |
|---|---|---|---|---|---|---|---|
| ☐ | U3 | FST3253 mux/demux switch ((bottom)) | FST3253 ESD!!! |
|
any |
Take extreme care working with this component. Always use ESD precautions.
|
Install Hardware
At this point you may install the two mounting screws and their associated hardware.
Install them with the screw head on the topside, then the board, then the spacer, then the washer, and finally the nut.
| Check | Designation | Component (top/bottom) | Orientation | Marking | Image | Band | Notes |
|---|---|---|---|---|---|---|---|
| ☐ | hdw1 | 2 X #4-40 hdw (nut, bolt, washer, spacer) (top) |
|
any | 1 3/8" screw, 1 nut, 1 nylon washer, and 1/18" nylon spacer (4 each) |
Go to Top of Page
Completed Photos
Note: the completed pictures are of the 40m option, which the author built. Other band options (which the author did not build) will appear slightly different (especially the inductors, whose windings and cores will vary by band) for the band-specific components.
View of Completed Topside
View of Completed Underside
Go to Top of Page
Testing
Overview
Visual Check
Test Setup
Using very good lighting and magnification, carefully inspect the solder joints to identify bridges, cold joints, or poor contacts.
Pay especial attention to the joints on the divider IC pins. If necessary, touch up the joints with your iron and/or some flux. Wick up any excess.
Current Draw
Test Setup
- connect a 100 ohm resistor in series with the positive power lead
- apply 12 Vdc and measure the current draw with the limiting resistor in place
- remove the current limiting resistor
- apply 12 Vdc and measure the current draw without the limiting resistor
Test Measurements
| Testpoint | Units | Nominal Value | Author's | Yours |
|---|---|---|---|---|
| With the 100 ohm current-limiting resistor | mA | < 20 | 18.0 | _______ |
| Without current limiting resistor | mA | < 25 | 18.1 | _______ |
Voltage Tests
Test Setup
Measure the voltages with respect to ground for each of the pins of U2. Take care to measure at the actual IC pin rather than the pad, so as to ensure you are measuring the PIN voltage
expected voltages are indicated in the table below:
- 5 V (range of 4.5 - 5.4)
- 2.5 V (approx 50% of the 5V rail value)
Note: the voltages at pins 3 and 11 will vary significantly, depending upon the quality of your meter. There is a significant AC component to these voltages that can affect the DC measurement. Generally speaking, anything at or over about 2.5 Vdc is probably OK. My measurements weere with a cheapo DMM bought from a place whose name rhymes with Barber Grate.
Test Measurements
| Testpoint | Units | Nominal Value | Author's | Yours |
|---|---|---|---|---|
| Pin 1 | Vdc | 5 | 4.9 | _______ |
| Pin 2 | Vdc | 2.5 | 2.48 | _______ |
| Pin 3 | Vdc | 3.5 - 4.5 | 4.1 | _______ |
| Pin 4 | Vdc | 5 | 4.9 | _______ |
| Pin 6 | Vdc | 2.5 | 2.47 | _______ |
| Pin 7 | Vdc | 0 | 0 | _______ |
| Pin 8 | Vdc | 2.5 | 2.48 | _______ |
| Pin 9 | Vdc | 2.5 | 2.48 | _______ |
| Pin 10 | Vdc | 5 | 4.9 | _______ |
| Pin 11 | Vdc | 3.5 - 4.5 | 4.1 | _______ |
| Pin 12 | Vdc | 2.5 | 2.47 | _______ |
| Pin 13 | Vdc | 5 | 4.9 | _______ |
| Pin 14 | Vdc | 5 | 4.9 | _______ |
Divider Output
Test Setup
- The divider divides the LO frequency by 4, producing 2 frequencies that are at ¼ of the LO frequency and are 90° out of phase with each other.
- The divider provides the QSD clocking signals for the mixer stage, with the frequency determined by the band for your kit. The QSD clocking frequency for this 20m band is 14.0475 MHz, which is the third harmonic of the divider output frequency of 4.6825 MHz.
- Using a ham receiver, dial up 4.6825 MHz and couple a wire from its antenna to point "QSD Clk 0" and then point "QSD Clk1" on the graphic below. You should hear the signal in the receiver. You should also be able to pick up the third harmonic at 14.0475 MHz on your radio dial.
Divider Output">
Mixer Test
Test Setup
The Mixer installation will be tested in a later stage. In the meantime, just carefully examine the soldering and placement of the IC using good magnification and light.Go to Top of Page