Ensemble RX III Quadrature Clock Generator
Band: HF
Introduction
General Info About the Stage
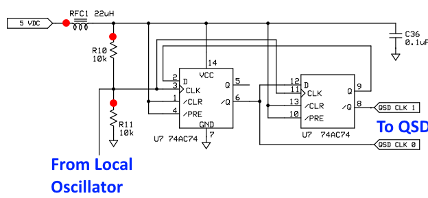
This stage divides the local oscillator output by 4 and shifts the phase of the dividend signals such that they are now one-fourth the LO frequency and 90 degrees separated in phase (i.e., in quadrature). Both signals are identical in all regards except phase. They will be used to clock the switch used in the Quadrature Sampling Detector (QSD) stage.
Theory of Operation
Stage Schematic

Go to Top of Page
Click here for full schematic
(Red dots represent the "hairpin" (or left-hand or topmost) lead of the component)
Summary Build Notes
Show Printable Stage Build DocumentationShow Printable Stage Test Documentation
Quadrature Clock Generator Bill of Materials
(HF band option)
(details for installation of each component are provided in the step instructions, further down the page)
Be sure to use the correct wire gauge when winding inductor(s)
Check | Type | Category | Component | Count | Marking | Image |
---|---|---|---|---|---|---|
☐ | Capacitor | SMT 1206 | 0.1 uF | 1 | (smt) black stripe |
![]() |
☐ | IC | SOIC-14 | 74AC74 Dual D FF | 1 | 74AC74 ESD!!! |
![]() |
☐ | Inductor | Choke | 4.7uH Molded Inductor 10% | 1 | ||
☐ | Resistor | 1/6W | 10k 1/6W 5% | 2 | brn-blk-ora-gld |
![]() |
Go to Top of Page
Detailed Build Steps
Install Voltage Divider Resistors
Pay careful attention to the orientation (N-S and S-N, respectively) of R10 and R11. Some builders have inadvertently installed these with a horizontal orientation rather than a vertical orientation.
Check | Designation | Component (top/bottom) | Orientation | Marking | Image | Band | Notes |
---|---|---|---|---|---|---|---|
☐ | R10 | 10k 1/6W 5% (top) | N-S | brn-blk-ora-gld |
![]() |
any | |
☐ | R11 | 10k 1/6W 5% (top) | S-N | brn-blk-ora-gld |
![]() |
any | |
☐ | RFC1 | 4.7uH Molded Inductor 10% (top) | N-S |
|
any | was 22uH in Beta kit |
Install IC and SMT Capacitor
Here, you will install U7 (to get a divide-by-4) ; also installed will be the appropriate SMT bypass capacitor.
Note: U7 is installed on the board in an "upside down" orientation. That is, the dimple on the case is on the upper right (or the band is to the right) when the IC is properly oriented.
Check | Designation | Component (top/bottom) | Orientation | Marking | Image | Band | Notes |
---|---|---|---|---|---|---|---|
☐ | C36 | 0.1 uF ((bottom)) | yellow pads | (smt) black stripe |
![]() |
any | |
☐ | U07 | 74AC74 Dual D FF ((bottom)) | ![]() |
74AC74 ESD!!! |
![]() |
any | Markings vary - look for "AC74" |
Test the Quadrature Clock Generator Stage
Quadrature Clock Generator - Current Draw
With both the USB cable and the power cable plugged in, measure the current draw in the positive power lead.
Measure the current draw with just the 12V power.
Note: the current draw will be slightly higher if you installed U12 as part of an LF option build
Go to Top of Page
Test Steps (if any)
Step | Test Point | UOM | Nominal | Author's | Builder's |
---|---|---|---|---|---|
0 | Current draw WITH USB | mA | < 18 | 8 | |
1 | Current draw NO USB | mA | < 18 | 4 |
Go to Top of Page
Quadrature Clock Generator - Test Voltage Divider
When performing the following tests, you must apply power to the board AND plug in the USB cable. Otherwise, results will not be as expected.
Plug in USB and power the board.
Measure the voltage on the R11 hairpin; you should see 50% of the %v rail voltage.
Depending upon your DMM, your measurements may vary. What we are looking for here is roughly half the 5 volt rail.
Troubleshooting the Voltage Divider
Go to Top of Page
Test Steps (if any)
Step | Test Point | UOM | Nominal | Author's | Builder's |
---|---|---|---|---|---|
0 | R11 hairpin (WRT regular gnd) | V dc | 2.5 | 2.53 |
Go to Top of Page
Quadrature Clock Generator - Divider Pin Voltages
Power USB and 12V. Then measure the voltages on the pins (and, separately, on the pads) of U7 (74AC74). Refer to the color codes on the graphic for the voltages.
Pins 3 and 11 will not show exactly 2.5Vdc because they have the additional AC component of the local oscillator signal from C3. The important idea is - for those pins which should nominally be 2.5Vdc - you do NOT want to see 0 or 5 Vdc!

Go to Top of Page
Test Steps (if any)
Step | Test Point | UOM | Nominal | Author's | Builder's |
---|---|---|---|---|---|
1 | Pin 1 | Vdc | 5 | 5.08 | |
2 | Pin 2 | Vdc | 2.5 | 2.53 | |
3 | Pin 3 | Vdc | 2 to 3 | 2.53 | |
4 | Pin 4 | Vdc | 5 | 5.08 | |
5 | Pin 5 | Vdc | 2.5 | 2.54 | |
6 | Pin 6 | Vdc | 2.5 | 2.53 | |
7 | Pin 7 | Vdc | 0 (GND) | 0 | |
8 | Pin 8 | Vdc | 2.5 | 2.53 | |
9 | Pin 9 | Vdc | 2.5 | 2.54 | |
10 | Pin 10 | Vdc | 5 | 5.08 | |
11 | Pin 11 | Vdc | 2.5 | 2.53 | |
12 | Pin 12 | Vdc | 2 - 3 | 2.53 | |
13 | Pin 13 | Vdc | 5 | 5.08 | |
14 | Pin 14 | Vdc | 5 | 5.08 |
Go to Top of Page
Quadrature Clock Generator - Quadrature Clock Generated Waveforms
Set your board up to oscillate at a selected center frequency, e.g., 1 MHz.
If you have a dual trace scope available, probe the two "QSD CLK (n)" test points and you should get a waveform similar to the one shown here.
The testpoint marked "LO Clock" will provide the Si570's output frequency.
Your mileage may vary, depending upon the desired center frequency you select and the quality of your scope (some scopes tend to have issues with these square waves - still, the scope should show two waveforms in quadrature at the desired center frequency).

Go to Top of Page
Test Steps (if any)
Go to Top of Page